| 简体 | 繁體 |
Thread Size
D
M10
×1
M12
×1.25
M16
×1.5
M18
×1.5
M20
×1.5
M22
×1.5
M24
×1.5
M27
×1.5
M30
×1.5
M33
×1.5
M36
×1.5
M39
×1.5
M42
×1.5
M45
×1.5
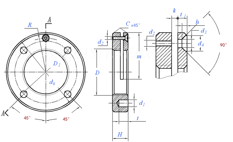
dk
D1 min=nominal size
max
H max=nominal size
min
d1 min=nominal size
max
d2
d3
R
t
h max=nominal size
min
t1
k
m
C
Applicable screws (GB68-85)
22 25 30 32 35 38 42 45 48 52 55 58 62 68
16 18 22 24 27 30 34 34 38 42 46 46 54 54
16.12 18.12 22.14 24.14 27.14 30.14 34.17 34.17 38.17 42.17 46.17 46.17 54.2 54.2
6 6 8 8 8 10 10 10 10 10 10 10 10 10
5.7 5.7 7.64 7.64 7.64 9.64 9.64 9.64 9.64 9.64 9.64 9.64 9.64 9.64
3 3 3.5 3.5 4 4 4 4.5 4.5 4.5 4.5 5.5 5.5 5.5
3.25 3.25 3.75 3.8 4.3 4.3 4.3 4.8 4.8 4.8 4.8 5.8 5.8 5.8
M2 M2 M3 M3 M3 M4 M4 M4 M4 M5 M5 M5 M5 M5
2.5 2.5 3.6 3.6 3.6 4.8 4.8 4.8 4.8 6 6 6 6 6
8 9 11.5 12.5 13.5 15 16.5 18 19.5 20.5 23 24.5 26 28.5
3 3 4 4 4 5 5 5 6 6 6 6 7 7
1.2 1.2 1.5 1.5 1.5 2 2 2 2 2.5 2.5 2.5 2.5 2.5
0.9 0.9 1.2 1.2 1.2 1.6 1.6 1.6 1.6 2.1 2.1 2.1 2.1 2.1
1.2 1.2 1.5 1.5 1.5 2 2 2 2 3 3 3 3 3
1.5 1.5 1.5 1.5 1.5 2 2 2 2 2 2 2 2 2
15 15 20 20 20 25 25 30 30 35 35 40 40 45
0.2 0.2 0.5 0.5 0.5 0.5 1 1 1 1 1 1 1 1
M2×4 M2×4 M3×6 M3×6 M3×6 M4×8 M4×8 M4×8 M4×8 M5×8 M5×8 M5×8 M5×8 M5×8
Thread Size
D
M48
×1.5
M52
×1.5
M56
×2
M60
×2
M64
×2
M68
×2
M72
×2
M76
×2
M80
×2
M85
×2
M90
×2
M95
×2
M100
×2
dk
D1 min=nominal size
max
H max=nominal size
min
d1 min=nominal size
max
d2
d3
R
t
h max=nominal size
min
t1
k
m
C
Applicable screws (GB68-85)
72 78 85 90 95 100 105 110 115 120 125 130 135
62 62 72 72 80 80 90 90 100 100 110 110 120
62.2 62.2 72.2 72.2 80.2 80.2 90.23 90.23 100.23 100.23 110.23 110.23 120.23
12 12 12 12 12 12 15 15 15 15 18 18 18
11.57 11.57 11.57 11.57 11.57 11.57 14.57 14.57 14.57 14.57 17.57 17.57 17.57
5.5 6.5 6.5 7.5 7.5 9 9 9 9 9 9 9 9
5.8 6.8 6.86 7.86 7.86 9.36 9.36 9.36 9.36 9.36 9.36 9.36 9.36
M6 M6 M6 M6 M6 M6 M6 M8 M8 M8 M8 M8 M8
7 7 7 7 7 7 7 9 9 9 9 9 9
30 32.5 35.5 38 40 42 44 46.5 49 51 54 56.5 59
7 7 7 7 8 8 10 10 10 10 10 10 10
3 3 3 3 3 3 3 4 4 4 4 4 4
2.6 2.6 2.6 2.6 2.6 2.6 2.6 3.5 3.5 3.5 3.5 3.5 3.5
4 4 4 4 4 5 5 5 5 5 6 6 6
3 3 3 3 3 3 3 3 3 3 3 3 3
45 50 50 55 55 60 60 - - 65 65 65 70
1 1 1 1 1 1 1.5 1.5 1.5 1.5 1.5 1.5 1.5
M6×10 M6×10 M6×10 M6×10 M6×10 M6×12 M6×12 M8×12 M8×12 M8×12 M8×15 M8×15 M8×15

Similar Standards

1 Round Nuts with Set Pin Holes in Side [DIN]
DIN 548 - 1986
Round Nuts with Set Pin Holes in Side
2 Slotted Round Nuts for Hook Spanner, ISO Metric Fine Thread [DIN]
DIN 1804 - 1971
Slotted Round Nuts for Hook Spanner, ISO Metric Fine Thread
3 Cargo Lifting Gear - Accessories and Fittings for Lifting - Round Nuts [DIN]
DIN 82013 - 2010
Cargo Lifting Gear - Accessories and Fittings for Lifting - Round Nuts
4 Locknut Dimensions Inch Design Series N-00, AN-00, TN and TAN [ANSI]
ANSI /ABMA 8.2 - 1999
Locknut Dimensions Inch Design Series N-00, AN-00, TN and TAN
5 Locknut of Type KM..., KML... or HM...T,for Use with Type MB... Lockwasher as in Din 5406 [DIN]
DIN 981 (KM) - 2009
Locknut of Type KM..., KML... or HM...T,for Use with Type MB... Lockwasher as in Din 5406
6 Locknut Dimensions Inch Design Series N-000 [ANSI]
ANSI /ABMA 8.2 - 1999
Locknut Dimensions Inch Design Series N-000
7 Rolling Bearings - Accessories - Locknut with 4 Slots [ISO]
ISO 2982-2 (4 Slot) - 2013
Rolling Bearings - Accessories - Locknut with 4 Slots
8 Slotted Round Nuts [DIN]
DIN 546 - 1986
Slotted Round Nuts
9 Round Nuts with Set Pin Holes in Side [DIN]
DIN 548 - 2024
Round Nuts with Set Pin Holes in Side
10 Round Nuts with Drilled Holes in One Face [DIN]
DIN 547 - 2024
Round Nuts with Drilled Holes in One Face
11 Rolling Bearings - Accessories - Locknuts with 8 Slots [ISO]
ISO 2982-2 (8Slot) - 2013
Rolling Bearings - Accessories - Locknuts with 8 Slots
12 Round Nuts with Drilled Holes in One Face [DIN]
DIN 547 - 1986
Round Nuts with Drilled Holes in One Face
13 Locknut of Type HM .. . , for use with Type MS ... Locking Plate as in DIN 5406 [DIN]
DIN 981 (HM) - 2009
Locknut of Type HM .. . , for use with Type MS ... Locking Plate as in DIN 5406
14 Round Nuts with Drilled Holes in One Face [DIN]
DIN 547 - 2006
Round Nuts with Drilled Holes in One Face
15 Locknut of Type HM .. . , for use with Type MS ... Locking Plate as in DIN 5406 [DIN]
DIN 981 (HM) - 1993
Locknut of Type HM .. . , for use with Type MS ... Locking Plate as in DIN 5406
16 Groove Nuts [DIN]
DIN 70852 - 1989
Groove Nuts
17 Slotted Round Nuts [DIN]
DIN 546 - 2024
Slotted Round Nuts
18 Removal Nut Dimensions Inch Design Series RN and ARN [ANSI]
ANSI /ABMA 8.2 - 1999
Removal Nut Dimensions Inch Design Series RN and ARN
19 Round Nuts with Set Pin Holes in Side [DIN]
DIN 548 - 2007
Round Nuts with Set Pin Holes in Side
20 Locknut of Type KM..., KML... or HM...T, for Use with Type MB... Lockwasher as in Din 5406 [DIN]
DIN 981 (KM) - 1993
Locknut of Type KM..., KML... or HM...T, for Use with Type MB... Lockwasher as in Din 5406
21 Rolling Bearings - Locknuts [DIN]
DIN 981 (KM) - 1983
Rolling Bearings - Locknuts
22 Round Nut with Set Pin Holes Inside, ISO Metric Fine Thread [DIN]
DIN 1816 - 1971
Round Nut with Set Pin Holes Inside, ISO Metric Fine Thread
23 Slotted Round Nuts [DIN]
DIN 546 - 2010
Slotted Round Nuts
24 Rolling Bearing Accessories - Locknuts - HML Series [GB]
GB /T 9160.2 (HML) - 2017
Rolling Bearing Accessories - Locknuts - HML Series
25 Round Nuts with Set Pin Holes In Side [GB]
GB 816 - 1988
Round Nuts with Set Pin Holes In Side
26 Rolling Bearing Accessories - Locknuts - HM Series [GB]
GB 9160.3 (HM) - 1988
Rolling Bearing Accessories - Locknuts - HM Series
27 en:Rolling Bearing Accessories - Locknuts - HM Series [GB]
GB /T 9160.2 (HM) - 2006
en:Rolling Bearing Accessories - Locknuts - HM Series
28 Rolling Bearing Accessories - Locknuts - HML Series [GB]
GB /T 9160.2 (HML) - 2006
Rolling Bearing Accessories - Locknuts - HML Series
29 Small Round Nuts [GB]
GB 810 - 1988
Small Round Nuts
30 Rolling Bearing Accessories - Locknuts - KML Series [GB]
GB 9160.3 (KML) - 1988
Rolling Bearing Accessories - Locknuts - KML Series
31 Spectacle Frames - Recessed Round Nuts [JIS]
JIS B 1119 (3SR) - 1986
Spectacle Frames - Recessed Round Nuts
32 Round Nuts [GB]
GB 812 - 1988
Round Nuts
33 Round Nuts with Drilled Holes in One Face [GB]
GB 815 - 1988
Round Nuts with Drilled Holes in One Face
34 Rolling Bearing Accessories - Locknuts - KM Series [GB]
GB /T 9160.2 (KM) - 2017
Rolling Bearing Accessories - Locknuts - KM Series
35 Rolling Bearing Accessories - Locknuts - KM Series [GB]
GB /T 9160.2 (KM) - 2006
Rolling Bearing Accessories - Locknuts - KM Series
36 Slotted Round Nuts [GB]
GB 817 - 1988
Slotted Round Nuts
37 Rolling Bearing Accessories - Locknuts - KM Series [GB]
GB 9160.3 (KM) - 1988
Rolling Bearing Accessories - Locknuts - KM Series
38 Rolling Bearing Accessories - Locknuts - HM Series [GB]
GB /T 9160.2 (HM) - 2017
Rolling Bearing Accessories - Locknuts - HM Series
39 Locknuts with 4 Slots [JIS]
JIS B 1554 (AN HN/ANL HNL) - 2016
Locknuts with 4 Slots
40 Rolling Bearing Accessories - Locknuts - KML Series [GB]
GB /T 9160.2 (KML) - 2006
Rolling Bearing Accessories - Locknuts - KML Series
41 Locknuts - Heavy Series [NF]
NF E 22-111 - 1969
Locknuts - Heavy Series
42 Locknuts with 8 Slots [JIS]
JIS B 1554 (AN/ANL) - 2016
Locknuts with 8 Slots
43 Rolling Bearing Accessories - Locknuts - KML Series [GB]
GB /T 9160.2 (KML) - 2017
Rolling Bearing Accessories - Locknuts - KML Series
44 Slotted Round Nuts [NF]
NF E 27-413 - 1959
Slotted Round Nuts
45 Rolling Bearing Accessories - Locknuts - HML Series [GB]
GB 9160.3 (HML) - 1988
Rolling Bearing Accessories - Locknuts - HML Series
46 Round Nuts [CNS]
CNS 4465 - 1978
Round Nuts
47 Round Nuts with Drilled Holes In One Face [CNS]
CNS 4434 - 1993
Round Nuts with Drilled Holes In One Face
48 Round Nuts with Set Pin Holes In Side [CNS]
CNS 4433 - 1993
Round Nuts with Set Pin Holes In Side
49 Round Nuts Slotted on Face [GOST]
GOST 10657 - 1980
Round Nuts Slotted on Face
50 Slotted Round Nuts, Product Grade A [GOST]
GOST 11871 - 1988
Slotted Round Nuts, Product Grade A