| 简体 | 繁體 |

Round Nuts

CNS 4465 - 1978

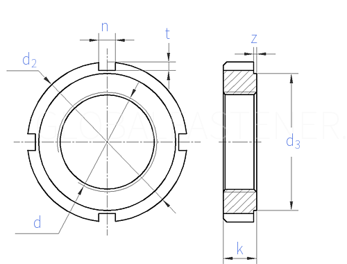
Display drawing:

台湾CNS 4465 - 1978 CNS4465 4465CNS Round Nuts
Calculate weight and price. Weight 1000 pcs : kg x $ per kg = $ 1000 pcs
Default density g/cm3
Thread Size
d
M6 M8 M10 M12 M14 M16 M18 M20 M22 M24 M26 M28 M30
P Pitch
d2 max=nominal size
min
d3
n
k max=nominal size
min
t
z
Number of slots
per 100 units ≈ kg
0.75 1 1 1.5 1.5 1.5 1.5 1.5 1.5 1.5 1.5 1.5 1.5
16 20 25 28 30 32 34 36 40 42 45 50 50
15.89 19.87 24.87 27.87 29.87 31.84 33.84 35.84 39.84 41.84 44.84 49.84 49.84
12 16 20 23 25 27 28 30 34 36 38 43 43
4 4 5 5 5 5 6 6 6 6 7 7 7
5 5 6 6 7 7 8 8 9 9 10 10 10
4.7 4.7 5.7 5.7 6.64 6.64 7.64 7.64 8.64 8.64 9.64 9.64 9.64
1.5 1.5 2 2 2 2 2.5 2.5 2.5 2.5 3 3 3
0.5 0.5 0.5 0.5 0.5 0.5 0.5 0.5 0.5 0.5 0.5 0.5 0.5
4 4 4 4 4 4 4 4 4 4 4 4 4
0.575 0.925 1.74 2.17 2.86 3.14 3.8 4.13 5.9 6.3 7.82 10.1 9.35
Thread Size
d
M32 M35 M38 M40 M42 M45 M48 M50 M52 M55 M58 M60 M62
P Pitch
d2 max=nominal size
min
d3
n
k max=nominal size
min
t
z
Number of slots
per 100 units ≈ kg
1.5 1.5 1.5 1.5 1.5 1.5 1.5 1.5 1.5 1.5 1.5 1.5 1.5
52 55 58 62 62 68 75 75 80 80 90 90 95
51.81 54.81 57.81 61.81 61.81 67.81 74.81 74.81 79.81 79.81 89.78 89.78 94.78
45 48 50 54 54 60 67 67 70 70 80 80 85
7 7 8 8 8 8 8 8 10 10 10 10 10
11 11 11 12 12 12 13 13 13 13 13 13 14
10.57 10.57 10.57 11.57 11.57 11.57 12.57 12.57 12.57 12.57 12.57 12.57 13.57
3 3 3.5 3.5 3.5 3.5 3.5 3.5 4 4 4 4 4
0.5 0.5 0.5 0.5 0.5 0.5 0.5 0.5 0.5 0.5 0.5 0.5 0.5
4 4 4 4 4 6 6 6 6 6 6 6 6
10.8 11.7 12.3 15.9 14.7 18.1 25.3 23.8 27.5 25.1 36 34.1 42.6
Thread Size
d
M65 M68 M70 M72 M75 M80 M85 M90 M95 M100 M105 M110 M115
P Pitch
d2 max=nominal size
min
d3
n
k max=nominal size
min
t
z
Number of slots
per 100 units ≈ kg
1.5 1.5 1.5 1.5 1.5 2 2 2 2 2 2 2 2
95 100 100 110 110 115 120 130 135 145 155 155 165
94.78 99.78 99.78 109.78 109.78 114.78 119.78 129.75 134.75 144.75 154.75 154.75 164.75
85 90 90 100 100 105 110 120 120 130 140 140 150
10 10 10 10 10 10 10 10 12 12 12 12 12
14 14 14 14 14 16 16 16 16 16 16 16 18
13.57 13.57 13.57 13.57 13.57 15.57 15.57 15.57 15.57 15.57 15.57 15.57 17.57
4 4 4 4 4 4 4 4 5 5 5 5 5
0.5 0.5 0.5 0.5 0.5 1 1 1 1 1 1 1 1
6 6 6 6 6 6 6 6 6 6 6 6 6
39.4 44.4 41.8 57.7 54 57.6 68 84.3 86 104 123 113 150
Thread Size
d
M120 M125 M130 M140 M150 M160 M170 M180 M190 M200
P Pitch
d2 max=nominal size
min
d3
n
k max=nominal size
min
t
z
Number of slots
per 100 units ≈ kg
2 2 3 3 3 3 3 3 3 3
165 180 180 195 205 220 230 245 260 270
164.75 179.75 179.75 194.71 204.71 219.71 229.71 244.71 259.68 269.68
150 165 165 180 190 205 210 225 240 250
12 12 12 12 12 12 16 16 16 16
18 18 18 18 18 20 20 20 20 22
17.57 17.57 17.57 17.57 17.57 19.48 19.48 19.48 19.48 21.48
5 5 5 5 5 5 7 7 7 7
1 1 1 1 1 1 1 1 1 1
6 8 8 8 8 8 8 8 8 8
137 178 167 200 212 278 286 330 377 436

Similar Standards

1 Locknut Dimensions Inch Design Series N-00, AN-00, TN and TAN [ANSI]
ANSI /ABMA 8.2 - 1999
Locknut Dimensions Inch Design Series N-00, AN-00, TN and TAN
2 Rolling Bearings - Accessories - Locknut with 4 Slots [ISO]
ISO 2982-2 (4 Slot) - 2013
Rolling Bearings - Accessories - Locknut with 4 Slots
3 Slotted Round Nuts [DIN]
DIN 546 - 1986
Slotted Round Nuts
4 Rolling Bearings - Locknuts [DIN]
DIN 981 (KM) - 1983
Rolling Bearings - Locknuts
5 Slotted Round Nuts [DIN]
DIN 546 - 2010
Slotted Round Nuts
6 Locknut of Type HM .. . , for use with Type MS ... Locking Plate as in DIN 5406 [DIN]
DIN 981 (HM) - 2009
Locknut of Type HM .. . , for use with Type MS ... Locking Plate as in DIN 5406
7 Groove Nuts [DIN]
DIN 70852 - 1989
Groove Nuts
8 Locknut of Type HM .. . , for use with Type MS ... Locking Plate as in DIN 5406 [DIN]
DIN 981 (HM) - 1993
Locknut of Type HM .. . , for use with Type MS ... Locking Plate as in DIN 5406
9 Locknut of Type KM..., KML... or HM...T,for Use with Type MB... Lockwasher as in Din 5406 [DIN]
DIN 981 (KM) - 2009
Locknut of Type KM..., KML... or HM...T,for Use with Type MB... Lockwasher as in Din 5406
10 Round Nuts with Set Pin Holes in Side [DIN]
DIN 548 - 2007
Round Nuts with Set Pin Holes in Side
11 Round Nuts with Drilled Holes in One Face [DIN]
DIN 547 - 1986
Round Nuts with Drilled Holes in One Face
12 Slotted Round Nuts for Hook Spanner, ISO Metric Fine Thread [DIN]
DIN 1804 - 1971
Slotted Round Nuts for Hook Spanner, ISO Metric Fine Thread
13 Cargo Lifting Gear - Accessories and Fittings for Lifting - Round Nuts [DIN]
DIN 82013 - 2010
Cargo Lifting Gear - Accessories and Fittings for Lifting - Round Nuts
14 Round Nuts with Drilled Holes in One Face [DIN]
DIN 547 - 2006
Round Nuts with Drilled Holes in One Face
15 Removal Nut Dimensions Inch Design Series RN and ARN [ANSI]
ANSI /ABMA 8.2 - 1999
Removal Nut Dimensions Inch Design Series RN and ARN
16 Round Nuts with Set Pin Holes in Side [DIN]
DIN 548 - 2024
Round Nuts with Set Pin Holes in Side
17 Round Nut with Set Pin Holes Inside, ISO Metric Fine Thread [DIN]
DIN 1816 - 1971
Round Nut with Set Pin Holes Inside, ISO Metric Fine Thread
18 Locknut of Type KM..., KML... or HM...T, for Use with Type MB... Lockwasher as in Din 5406 [DIN]
DIN 981 (KM) - 1993
Locknut of Type KM..., KML... or HM...T, for Use with Type MB... Lockwasher as in Din 5406
19 Rolling Bearings - Accessories - Locknuts with 8 Slots [ISO]
ISO 2982-2 (8Slot) - 2013
Rolling Bearings - Accessories - Locknuts with 8 Slots
20 Round Nuts with Drilled Holes in One Face [DIN]
DIN 547 - 2024
Round Nuts with Drilled Holes in One Face
21 Slotted Round Nuts [DIN]
DIN 546 - 2024
Slotted Round Nuts
22 Locknut Dimensions Inch Design Series N-000 [ANSI]
ANSI /ABMA 8.2 - 1999
Locknut Dimensions Inch Design Series N-000
23 Round Nuts with Set Pin Holes in Side [DIN]
DIN 548 - 1986
Round Nuts with Set Pin Holes in Side
24 en:Rolling Bearing Accessories - Locknuts - HM Series [GB]
GB /T 9160.2 (HM) - 2006
en:Rolling Bearing Accessories - Locknuts - HM Series
25 Rolling Bearing Accessories - Locknuts - HML Series [GB]
GB 9160.3 (HML) - 1988
Rolling Bearing Accessories - Locknuts - HML Series
26 Rolling Bearing Accessories - Locknuts - KM Series [GB]
GB /T 9160.2 (KM) - 2017
Rolling Bearing Accessories - Locknuts - KM Series
27 Locknuts with 8 Slots [JIS]
JIS B 1554 (AN/ANL) - 2016
Locknuts with 8 Slots
28 Locknuts - Heavy Series [NF]
NF E 22-111 - 1969
Locknuts - Heavy Series
29 Round Nuts [GB]
GB 812 - 1988
Round Nuts
30 Round Nuts with Set Pin Holes In Side [GB]
GB 816 - 1988
Round Nuts with Set Pin Holes In Side
31 Rolling Bearing Accessories - Locknuts - KML Series [GB]
GB 9160.3 (KML) - 1988
Rolling Bearing Accessories - Locknuts - KML Series
32 Round Nuts with Drilled Holes in One Face [GB]
GB 815 - 1988
Round Nuts with Drilled Holes in One Face
33 Spectacle Frames - Recessed Round Nuts [JIS]
JIS B 1119 (3SR) - 1986
Spectacle Frames - Recessed Round Nuts
34 Small Round Nuts [GB]
GB 810 - 1988
Small Round Nuts
35 Rolling Bearing Accessories - Locknuts - KML Series [GB]
GB /T 9160.2 (KML) - 2017
Rolling Bearing Accessories - Locknuts - KML Series
36 Slotted Round Nuts [NF]
NF E 27-413 - 1959
Slotted Round Nuts
37 Rolling Bearing Accessories - Locknuts - HM Series [GB]
GB 9160.3 (HM) - 1988
Rolling Bearing Accessories - Locknuts - HM Series
38 Slotted Round Nuts [GB]
GB 817 - 1988
Slotted Round Nuts
39 Rolling Bearing Accessories - Locknuts - KM Series [GB]
GB /T 9160.2 (KM) - 2006
Rolling Bearing Accessories - Locknuts - KM Series
40 Rolling Bearing Accessories - Locknuts - HM Series [GB]
GB /T 9160.2 (HM) - 2017
Rolling Bearing Accessories - Locknuts - HM Series
41 Rolling Bearing Accessories - Locknuts - HML Series [GB]
GB /T 9160.2 (HML) - 2017
Rolling Bearing Accessories - Locknuts - HML Series
42 Rolling Bearing Accessories - Locknuts - KM Series [GB]
GB 9160.3 (KM) - 1988
Rolling Bearing Accessories - Locknuts - KM Series
43 Locknuts with 4 Slots [JIS]
JIS B 1554 (AN HN/ANL HNL) - 2016
Locknuts with 4 Slots
44 Rolling Bearing Accessories - Locknuts - KML Series [GB]
GB /T 9160.2 (KML) - 2006
Rolling Bearing Accessories - Locknuts - KML Series
45 Rolling Bearing Accessories - Locknuts - HML Series [GB]
GB /T 9160.2 (HML) - 2006
Rolling Bearing Accessories - Locknuts - HML Series
46 Slotted Round Nuts, Product Grade A [GOST]
GOST 11871 - 1988
Slotted Round Nuts, Product Grade A
47 Round Nuts Slotted on Face [GOST]
GOST 10657 - 1980
Round Nuts Slotted on Face
48 Round Nuts with Set Pin Holes In Side [CNS]
CNS 4433 - 1993
Round Nuts with Set Pin Holes In Side
49 Round Nuts with Drilled Holes In One Face [CNS]
CNS 4434 - 1993
Round Nuts with Drilled Holes In One Face