Pricing
About Us
Pricing
Terms of Use
FAQ
Contact Us
|
简体
|
繁體
|
Language
English
Deutsch
Français
日本語
Italiano
Español
한어
Português
Русский
بالعربية
Türkçe
Search
QUOTES
Home
Supplier Directory
Standard & CAD
Material Database
Manufacturer ID
Tradeshow
Blog
Media Partner
Membership
Home
Standard & CAD
Detail
Click
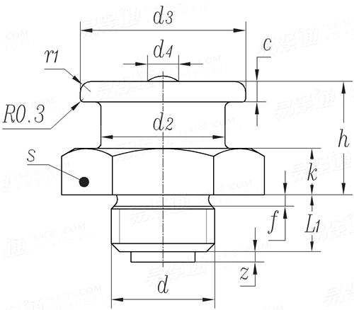
Specification
M10
×1
Unit:mm
CB /T 3762 - 1996
Display drawing:
3D DRAWING
Tolerance Calculator
Error Correction
Nominal Diameter
d
M10
×1
Series
f
c
tol.(0,-0.14)
d
2
tol.(0,-0.14)
d
3
tol.(0,-0.14)
d
4
>
h
max
k
tol. ±0.375
L
1
tol.(0,-0.5)
r
1
s
tol.(0,-0.14)
z
max
4
1.1
2
12
16
2.9
11
4.5
5.5
1
17
1
①,ISO Metric Screw Thread according to
GB 196
.
Send Inquiry
Similar Standards
1
[DIN]
DIN 3870 - 2001
Non-Soldering and Soldering Compression Fittings - Union Nuts Series L1 ( Pipe Nuts )
View Suppliers
2
[DIN]
DIN 431 - 2013
Pipe Nuts with Thread in Accordance with DIN ISO 228 Part 1
View Suppliers
3
[DIN]
DIN 8912 (NS4) - 1990
Coupling Nuts
4
[ISO]
ISO 7824 - 1986
Shipbuilding and Marine Structures - Lubrication Nipples - Cone Types
5
[DIN]
DIN 3871 - 1995
Non-soldering and Soldering Compression Couplings - Socket Unions
6
[DIN]
DIN 71412 - 1987
Lubricating Nipples; Cone Type
7
[ISO]
ISO 8434-2 - 2007
Metallic Tube Connections for Fluid Power and General Use - Part 2: 37° Flared Fittings [Tube Nuts]
8
[ISO]
ISO 7824 - 1986
Shipbuilding and Marine Structures - Lubrication Nipples - Flat Types
9
[GB]
GB /T 3763 - 2008
24° Cone Connectors and Flared Couplings - Hexagon Thin Nut
10
[JIS]
JIS B 8607 (Class 1) - 2020
Flare Nut, Class 1
11
[JIS]
JIS B 8607 (Class 2) - 2020
Flare Nut, Class 2
12
[GB]
GB 3759 - 1983
Bite Type Tube Fittings Nuts
13
[GB]
GB 3763 - 1983
Bite Type Tube Fittings - Hexagon Thin Nuts
14
[GOST]
GOST 19853 (Type 2) - 1974
Lubricating Plugs - Type 2
15
[GOST]
GOST 19853 (Type 3) - 1974
Lubricating Plugs - Type 3
Message
Error Correction