| 简体 | 繁體 |

Click Specification

Same specifications, different dimensions for other parts.

Coupling Nuts

DIN 8912 (NS4) - 1990

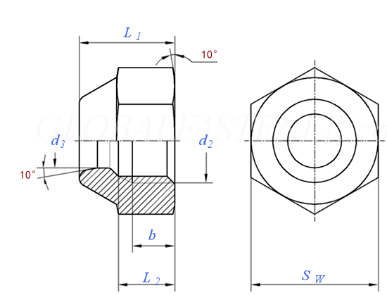
Display drawing:

德标DIN 8912 (NS4) - 1990 DIN8912 8912DIN Coupling Nuts
Tube outer diameter
6 6 8 10 10 12 12 15
Series
d2
d3 (mm) min=nominal size
max
b (mm) min
L1 (mm)
L2 (mm)
SW (mm)
A C A A C C R C
7/16-20UNF-2B 5/8-18UNF-2B 5/8-18UNF-2B 5/8-18UNF-2B 3/4-16UNF-2B 3/4-16UNF-2B 7/8-14UNF-2B 7/8-14UNF-2B
6.5 6.5 8.2 10.2 10.2 12.2 12.2 15.2
6.59 6.59 8.29 10.31 10.31 12.31 12.31 15.31
7 8 8 8 9 9 10 10
15 18 18 18 20 20 21 21
9.5 11 11 11 12 12 13 13
16 24 24 24 27 27 30 30