| 简体 | 繁體 |

Machine Tool Talbes - T-slots and Corresponding Nuts

GB /T 158 - 1996

Display drawing:

国标GB /T158 - 1996 GB158 158GB Machine Tool Talbes - T-slots and Corresponding Nuts
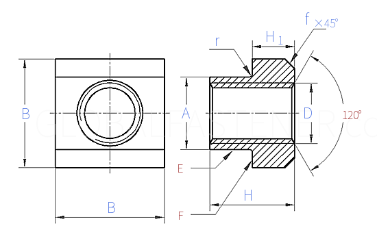
Width
A
5 6 8 10 12 14 18 22 28 36 42 48 54
D Nominal Size
A max
min
B Nominal Size
max
min
H1 Nominal Size
max
min
H Nominal Size
max
min
f max
r max
M4 M5 M6 M8 M10 M12 M16 M20 M24 M30 M36 M42 M48
4.7 5.7 7.7 9.7 11.7 13.7 17.7 21.7 27.7 35.6 41.6 47.6 53.6
4.5 5.5 7.5 9.5 11.4 13.4 17.4 21.4 27.4 35.3 41.3 47.3 53.3
9 10 13 15 18 22 23 34 43 53 64 75 85
9.29 10.29 13.35 15.35 18.35 22.42 23.42 34.5 43.5 53.6 64.6 75.6 85.7
8.71 9.71 12.65 14.65 17.65 21.58 22.58 33.5 42.5 52.4 63.4 74.4 84.3
3 4 6 6 7 8 10 14 18 23 28 32 36
3.2 4.24 6.24 6.24 7.29 8.29 10.29 14.35 18.35 23.42 28.42 32.5 36.5
2.8 3.76 5.76 5.76 6.71 7.71 9.71 13.65 17.65 22.58 27.58 31.5 35.5
6.5 8 10 12 14 16 20 28 36 44 52 60 70
6.79 8.29 10.29 12.35 14.35 16.35 20.42 28.42 36.5 44.5 52.6 60.6 70.6
6.21 7.71 9.71 11.65 13.65 15.65 19.58 27.58 35.5 43.5 51.4 59.4 69.4
1 1.6 1.6 1.6 2.5 2.5 2.5 2.5 4 6 6 6 6
0.3 0.3 0.3 0.3 0.4 0.4 0.4 0.5 0.5 0.5 0.8 0.8 0.8
①,E、F : 3.2μm