| 简体 | 繁體 |

Click Specification

Hexagon Socket Head Cap Screws with Single Coil Lock Washer and Plain Washer Assemblies

YJT 4079 (GB 70.1 + GB 9074.13)

Display drawing:

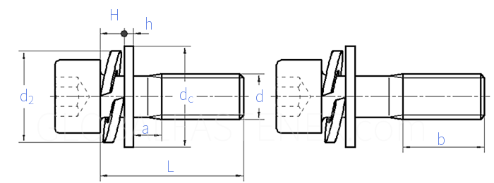
标准YJT 4079 (GB 70.1 + GB 9074.13) YJT407 Hexagon Socket Head Cap Screws with Single Coil Lock Washer and Plain Washer Assemblies
Nominal Length L Tips:seclect Nominal Length L and get Thread length.
Screw Thread
d
M4 M5 M6 M8
a max
b min
h Nominal Size
H Nominal Size
dc Nominal Size
d2 Ref.
1.4 1.6 2 2.5
38 38 38 38
0.8 1 1.6 1.6
2.75 3.25 4 5
9 10 12 16
6.78 8.75 10.71 13.64
Length of Thread b
- - - -

Similar Standards

1 Cross pan head screw and washer assemblies,coarse threaded screws with captive plain washer [DIN]
DIN 6900-1 - 1990
Cross pan head screw and washer assemblies,coarse threaded screws with captive plain washer

View Suppliers
2 Screw and Washer Assemblies Made of Steel with Plain Washers – Washer Hardness Classes 200 HV and 300 HV [DIN EN ISO]
DIN EN ISO 10644 - 2009
Screw and Washer Assemblies Made of Steel with Plain Washers – Washer Hardness Classes 200 HV and 300 HV

View Suppliers
3 Cross Recessed Pan Head Screws, Spring Lock Washer and Plain Washer Assemblles [JIS]
JIS B 1188 (T1A) - 1995
Cross Recessed Pan Head Screws, Spring Lock Washer and Plain Washer Assemblles

View Suppliers
4 Cross Recessed Small Pan Head Screw, Single Coil Spring Lock Washer and Plain Washer Assemblies [GB]
GB 9074.8 - 1988
Cross Recessed Small Pan Head Screw, Single Coil Spring Lock Washer and Plain Washer Assemblies

View Suppliers
5 Cross Recessed Pan Head Screws, Single Coil Spring Lock Washer and Plain Washers Assemblies [GB]
GB /T 9074.4 - 1988
Cross Recessed Pan Head Screws, Single Coil Spring Lock Washer and Plain Washers Assemblies

View Suppliers
6 Hexalobular Socket Head Cap Screws and Washer Assemblies with Plain Washers [DIN EN ISO]
DIN EN ISO 10644 (S10)
Hexalobular Socket Head Cap Screws and Washer Assemblies with Plain Washers
7 Screw and Washer Assemblies with Coarse Threaded Screws with Captive Serrated Lock Washer [DIN]
DIN 6900-4 - 1990
Screw and Washer Assemblies with Coarse Threaded Screws with Captive Serrated Lock Washer
8 Tommy Screws with Fixed Clamping Bolt - Form F [DIN]
DIN 6304 (F) - 2002
Tommy Screws with Fixed Clamping Bolt - Form F
9 Slotted Pan Head Screw and Spring Washer Assemblies - SEMS [ASME/ANSI]
ASME/ANSI B 18.13 - 1996
Slotted Pan Head Screw and Spring Washer Assemblies - SEMS
10 Tommy Screws with Moveable Clamping Bolt - Type E [DIN]
DIN 6306 (E) - 2002
Tommy Screws with Moveable Clamping Bolt - Type E
11 Socket Head Cap Screw and Spring Washer Assemblies - SEMS [ASME/ANSI]
ASME/ANSI B 18.13 - 1996
Socket Head Cap Screw and Spring Washer Assemblies - SEMS
12 Assemblies with Coarse Threaded Screws and Captive Conical Spring Washer [DIN]
DIN 6900-5 - 2004
Assemblies with Coarse Threaded Screws and Captive Conical Spring Washer
13 Hexagon Lobular Socket Pan Head Screws and Washer Assemblies with Plain Washers [DIN EN ISO]
DIN EN ISO 10644 (S11)
Hexagon Lobular Socket Pan Head Screws and Washer Assemblies with Plain Washers
14 Screw and Washer Assemblies with Plain Washers - Washer Hardness Classes 200 HV and 300 HV [ISO]
ISO 10644 - 1998
Screw and Washer Assemblies with Plain Washers - Washer Hardness Classes 200 HV and 300 HV
15 Cross Recessed Pan Head Screws and Washer Assemblies with Plain Washers [DIN EN ISO]
DIN EN ISO 10644 (S3)
Cross Recessed Pan Head Screws and Washer Assemblies with Plain Washers
16 Hexagon Socket Head Cap Screws and Washer Assemblies with Plain Washers [DIN EN ISO]
DIN EN ISO 10644 (S4)
Hexagon Socket Head Cap Screws and Washer Assemblies with Plain Washers
17 Slotted Screws and Wave Washers Assemblies [DIN]
DIN 6900-2 - 1990
Slotted Screws and Wave Washers Assemblies
18 Assemblies With Coarse Threaded Screws and Captive Conical Spring Washer [DIN]
DIN 6900-5 - 1990
Assemblies With Coarse Threaded Screws and Captive Conical Spring Washer
19 Rolling Bearings - Accessories - Locking Clip Assemblies [ISO]
ISO 2982-2 (Clip) - 2013
Rolling Bearings - Accessories - Locking Clip Assemblies
20 Hexagon Flange Bolts and Washer Assemblies with Plain Washers [DIN EN ISO]
DIN EN ISO 10644 (S12)
Hexagon Flange Bolts and Washer Assemblies with Plain Washers
21 Screw and Washer Sssemblies Made of Steel with Plain Washers - Washer Hardness Classes 200 HV and 300 HV [ISO]
ISO 10644 - 2009
Screw and Washer Sssemblies Made of Steel with Plain Washers - Washer Hardness Classes 200 HV and 300 HV
22 Metric Slotted Pan Head Screw and Spring Washer Assemblies-SEMS (Machine Screw Thread Diameter) [ASME/ANSI]
ASME/ANSI B 18.13.1M - 2011
Metric Slotted Pan Head Screw and Spring Washer Assemblies-SEMS (Machine Screw Thread Diameter)
23 Slotted Pan Head Screw and Spring Washer Assemblies-SEMS [ASME]
ASME B 18.13 - 2017 (ERTA)
Slotted Pan Head Screw and Spring Washer Assemblies-SEMS
24 Hexagon Flange Bolts (Fine Pitch Thread ) and Washer Assemblies with Plain Washers [DIN EN ISO]
DIN EN ISO 10644 (S13)
Hexagon Flange Bolts (Fine Pitch Thread ) and Washer Assemblies with Plain Washers
25 Slotted Cheese Head Screws and Washer Assemblies with Plain Washers [DIN EN ISO]
DIN EN ISO 10644 (S6)
Slotted Cheese Head Screws and Washer Assemblies with Plain Washers
26 Slotted Pan Head Screws and Washer Assemblies with Plain Washers [DIN EN ISO]
DIN EN ISO 10644 (S5)
Slotted Pan Head Screws and Washer Assemblies with Plain Washers
27 Helical Spring Lock Washers for Socket Head Cap Screw SEMS [ASME]
ASME B 18.13 - 2017
Helical Spring Lock Washers for Socket Head Cap Screw SEMS
28 Tommy Screws with Fixed Clamping Bolt - Form E [DIN]
DIN 6304 (E) - 2002
Tommy Screws with Fixed Clamping Bolt - Form E
29 Screw and Washer Assemblies with Coarse Thread with Curved Spring Lock Washer [DIN]
DIN 6900-3 - 1990
Screw and Washer Assemblies with Coarse Thread with Curved Spring Lock Washer
30 Tommy Screws with Moveable Clamping Bolt - Type D [DIN]
DIN 6306 (D) - 2002
Tommy Screws with Moveable Clamping Bolt - Type D
31 Metric Socket Head Cap Screw and Spring Washer Assemblies-SEMS(Machine Screw Thread Diameter) [ASME/ANSI]
ASME/ANSI B 18.13.1M - 2011
Metric Socket Head Cap Screw and Spring Washer Assemblies-SEMS(Machine Screw Thread Diameter)
32 Rolling Bearing - Locking Clips - MSL Series [GB]
GB /T 9160.2 (MSL) - 2017
Rolling Bearing - Locking Clips - MSL Series
33 Cross Recessed Pan Head Screws And Plain Washer Assemblies [JIS]
JIS B 1188 (T1C) - 1995
Cross Recessed Pan Head Screws And Plain Washer Assemblies
34 Bolt or Screw and Washer Assemblies with Conical Spring Washers [GB]
GB /T 9074.32 - 2017
Bolt or Screw and Washer Assemblies with Conical Spring Washers
35 Spherical Holed Head Screw [NF]
NF E 27-303 - 1968
Spherical Holed Head Screw
36 Cross Recessed Small Pan Head Screw and Washer Assemblies with Plain Washers [GB]
GB /T 9074.5 - 2004
Cross Recessed Small Pan Head Screw and Washer Assemblies with Plain Washers
37 Locking Clip and Applicable Bolt [JIS]
JIS B 1554 (AL/ALL) - 2016
Locking Clip and Applicable Bolt
38 Cross Recessed Pan Head Screw And Serrated Lock Washer External Teeth Assemblies [GB]
GB 9074.2 - 1988
Cross Recessed Pan Head Screw And Serrated Lock Washer External Teeth Assemblies
39 Hexagon Socket Head Cap Screws and Washer Assemblies with Plain Washers [GB]
GB /T 9074.1 (S4)
Hexagon Socket Head Cap Screws and Washer Assemblies with Plain Washers
40 Hexagon Flange Bolts (Fine Pitch Thread) and Washer Assemblies with Plain Washers [GB]
GB /T 9074.1 (S13)
Hexagon Flange Bolts (Fine Pitch Thread) and Washer Assemblies with Plain Washers
41 Slotted Cheese Head Screws and Washer Assemblies with Plain Washers [GB]
GB /T 9074.1 (S6)
Slotted Cheese Head Screws and Washer Assemblies with Plain Washers
42 Cross Recessed Pan Screw Assemblies with Washers [JIS]
JIS B 1130 - 2012
Cross Recessed Pan Screw Assemblies with Washers
43 Bolt or Screw and Washer Assemblies with Plain Washers [GB]
GB /T 9074.1 - 2002
Bolt or Screw and Washer Assemblies with Plain Washers
44 Rolling Bearing - Locking Clips - MSL Series [GB]
GB /T 9160.2 (MSL) - 2006
Rolling Bearing - Locking Clips - MSL Series
45 Hexalobular Socket Head Cap Screws and Washer Assemblies with Plain Washers [GB]
GB /T 9074.1 (S10)
Hexalobular Socket Head Cap Screws and Washer Assemblies with Plain Washers
46 Cross Recessed Small Pan Head Screw and Single Coil Spring Lock Washer Assemblies [GB]
GB 9074.7 - 1988
Cross Recessed Small Pan Head Screw and Single Coil Spring Lock Washer Assemblies
47 Cross Recessed Pan Screws and Plain Washers Assemblies [JIS]
JIS B 1130 - 2006
Cross Recessed Pan Screws and Plain Washers Assemblies
48 Cross Recessed Countersunk Head Screw and Countersunk Serrated External Toothed Lock Washer Assemblies [GB]
GB 9074.9 - 1988
Cross Recessed Countersunk Head Screw and Countersunk Serrated External Toothed Lock Washer Assemblies
49 Cross Recessed Pan Head Screws and Washer Assemblies with Plain Washers [GB]
GB /T 9074.1 (S3)
Cross Recessed Pan Head Screws and Washer Assemblies with Plain Washers
50 Cross Recessed Raised Countersunk Head Screw and Countersunk External Toothed Lock Washer Assemblies [GB]
GB 9074.10 - 1988
Cross Recessed Raised Countersunk Head Screw and Countersunk External Toothed Lock Washer Assemblies
51 Cross Recessed Small Pan Head Screw and Plain Washer Assemblies [GB]
GB /T 9074.5 - 1988
Cross Recessed Small Pan Head Screw and Plain Washer Assemblies
52 Cross Recessed Small Pan Head Screw and Large Plain Washer Assemblies [GB]
GB /T 9074.6 - 1988
Cross Recessed Small Pan Head Screw and Large Plain Washer Assemblies
53 Hexagon Flange Bolts and Washer Assemblies with Plain Washers [GB]
GB /T 9074.1 (S12)
Hexagon Flange Bolts and Washer Assemblies with Plain Washers
54 Cross Recessed Pan Head Screw And Serrated Lock Washer External Teeth Assemblies [JIS]
JIS B 1188 (T1D) - 1995
Cross Recessed Pan Head Screw And Serrated Lock Washer External Teeth Assemblies
55 Cross Recessed Pan Head Screws and Single Coil Spring Lock Washers Assemblies [GB]
GB 9074.3 - 1988
Cross Recessed Pan Head Screws and Single Coil Spring Lock Washers Assemblies
56 Hexagon Lobular Socket Pan Head Screws and Washer Assemblies with Plain Washers [GB]
GB /T 9074.1 (S11)
Hexagon Lobular Socket Pan Head Screws and Washer Assemblies with Plain Washers
57 Cross Recessed Pan Head Screws And Spring Lock Washer Assembiles [JIS]
JIS B 1188 (T1B) - 1995
Cross Recessed Pan Head Screws And Spring Lock Washer Assembiles
58 Bolt or Screw and Washer Assemblies with Plain Washers [GB]
GB /T 9074.1 - 2018
Bolt or Screw and Washer Assemblies with Plain Washers
59 Pin Coupling with Elastic Sleeve - Elastic Sleeve, Retaining Ring and Pin [GB]
GB /T 4323 - 2002
Pin Coupling with Elastic Sleeve - Elastic Sleeve, Retaining Ring and Pin
60 Rolling Bearing - Locking Clips - MS Series [GB]
GB /T 9160.2 (MS) - 2017
Rolling Bearing - Locking Clips - MS Series
61 Cross Recessed Pan Head Screws and Plain Washers Assemblies [GB]
GB /T 9074.1 - 1988
Cross Recessed Pan Head Screws and Plain Washers Assemblies
62 Slotted Pan Head Screws and Washer Assemblies with Plain Washers [GB]
GB /T 9074.1 (S5)
Slotted Pan Head Screws and Washer Assemblies with Plain Washers
63 Hexalobular Socket Pan Head Screws, Single Coil Spring Lock Washer and Plain Washer Assembles [YJT]
YJT 4068 (GB9074.4T)
Hexalobular Socket Pan Head Screws, Single Coil Spring Lock Washer and Plain Washer Assembles