| 简体 | 繁體 |

Click Specification

Diesel Engines - Requirements for Low Pressure Hydraulic Pipe Assemblies - Intermediate union

JB /T 6013 - 2011

Display drawing:

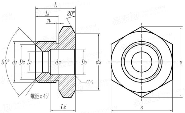
机械行业JB /T6013 - 2011 JB6013 6013JB Diesel Engines - Requirements for Low Pressure Hydraulic Pipe Assemblies - Intermediate union
Inside Nominal Diameter
4 6 8 10 12 14
(13)
dw
D0
d1
D2
D1
L2
L
L1
n
s max=nominal size
min
e
d3
d2
6 8 10 12 14 16
6.5 8.5 10.5 12.5 14.5 16.5
M12X1.25-6g M16X1.5-6g M18X1.5-6g M20X1.5-6g M24X1.5-6g M27X1.5-6g
9.5 13 15 17 20 22
4 6 8 10 12 14
6 8 10 12 14 17
13.5 16 17 19.5 23 26
8.5 10 10 11.5 14 16
2 2.5 2.5 2.5 3 3
18 24 27 30 36 41
17.73 23.67 26.67 29.67 35.38 40.38
19.85 26.17 29.56 32.95 39.55 45.2
16.5 22 24.8 27.7 33.2 38
10.2 13.8 15.8 17.8 21.8 24.8

Similar Standards

1 Plug with O-ring [ISO]
ISO 8434-1 (PL) - 2018
Plug with O-ring
2 Stud Connectors with Stud End, Elastomeric Sealing (E), Metric Screw Thread(M) [ISO]
ISO 8434-1 (SDS-E-M) - 2018
Stud Connectors with Stud End, Elastomeric Sealing (E), Metric Screw Thread(M)
3 Non-soldering Compression Fittings with Cutting Ring for Screwed Connections with Tapered Screw-in Spigot form C According to DIN 3852-1 and DIN 3852-2 [DIN]
DIN 2353 - 2013
Non-soldering Compression Fittings with Cutting Ring for Screwed Connections with Tapered Screw-in Spigot form C According to DIN 3852-1 and DIN 3852-2
4 Tee Union Connectors [ISO]
ISO 8434-1 (T) - 2018
Tee Union Connectors
5 Swivel Stud Straight Adapters with O-ring Sealing [ISO]
ISO 8434-1 (SWOSDS-F) - 2018
Swivel Stud Straight Adapters with O-ring Sealing
6 Swivel elbow (SWOE) with O-ring [ISO]
ISO 8434 (-1) - 2007
Swivel elbow (SWOE) with O-ring
7 Non-soldering Compression Fittings with Cylindrical Screw-in Pins form A or B According to DIN 3852-1, DIN 3852-2 [DIN]
DIN 2353 - 2013
Non-soldering Compression Fittings with Cylindrical Screw-in Pins form A or B According to DIN 3852-1, DIN 3852-2
8 Cutting Ring (CR) and 24° Cone End [ISO]
ISO 8434-1 (CR) - 2018
Cutting Ring (CR) and 24° Cone End
9 Reducing Swivel Straight Adapter with O-ring Sealing [ISO]
ISO 8434-1 (RDSW) - 2018
Reducing Swivel Straight Adapter with O-ring Sealing
10 Bulkhead Elbows [ISO]
ISO 8434-1 (BHE) - 2018
Bulkhead Elbows
11 Weld-on Reducing Nipples [ISO]
ISO 8434-1 (WDRDNP) - 2018
Weld-on Reducing Nipples
12 Stud Connectors with Stud End, Elastomeric Sealing (E), Pipe Thread (G) [ISO]
ISO 8434-1 (SDS-E-G) - 2018
Stud Connectors with Stud End, Elastomeric Sealing (E), Pipe Thread (G)
13 Weld-in Bulkhead Connectors [ISO]
ISO 8434-1 (WDBHS) - 2018
Weld-in Bulkhead Connectors
14 Swivel Stud Straight Adapters, Elastomeric Sealing (E), Pipe Thread (G) [ISO]
ISO 8434-1 (SWODS-E-G) - 2018
Swivel Stud Straight Adapters, Elastomeric Sealing (E), Pipe Thread (G)
15 Swivel Elbow with O-Ring Sealing [ISO]
ISO 8434-1 (SWOE) - 2018
Swivel Elbow with O-Ring Sealing
16 Straight Union Connectors [ISO]
ISO 8434-1 (S) - 2018
Straight Union Connectors
17 Weld-on Straight Connector [ISO]
ISO 8434-1 (WDS) - 2018
Weld-on Straight Connector
18 Run Tee with O-ring Sealing [ISO]
ISO 8434-1 (SWORT) - 2018
Run Tee with O-ring Sealing
19 Branch Tee with O-ring Sealing [ISO]
ISO 8434-1 (SWOBT) - 2018
Branch Tee with O-ring Sealing
20 Cross Union Connectors [ISO]
ISO 8434-1 (K) - 2018
Cross Union Connectors
21 Screw-in Fittings with Tapered Screw-in Pins Form A oder B Nach DIN 3852-1, DIN 3852-2 [DIN]
DIN 2353 - 2013
Screw-in Fittings with Tapered Screw-in Pins Form A oder B Nach DIN 3852-1, DIN 3852-2
22 Stud Connectors with Stud End, Metal-to-Metal Sealing (B), Pipe Thread (G) [ISO]
ISO 8434-1 (SDS-B-G) - 2018
Stud Connectors with Stud End, Metal-to-Metal Sealing (B), Pipe Thread (G)
23 Stud Connector (SDS) for Ports with Elastomeric Sealing (type E) and Parallel Threads [ISO]
ISO 8434 (-1) - 2007
Stud Connector (SDS) for Ports with Elastomeric Sealing (type E) and Parallel Threads
24 Weld-on Nipple [ISO]
ISO 8434-1 (WDNP) - 2018
Weld-on Nipple
25 Stud Connectors with Stud end, Metal-to-Metal Sealing (B), Metric Screw Thread(M) [ISO]
ISO 8434-1 (SDS-B-M) - 2018
Stud Connectors with Stud end, Metal-to-Metal Sealing (B), Metric Screw Thread(M)
26 Elbow Union Connectors [ISO]
ISO 8434-1 (E) - 2018
Elbow Union Connectors
27 Swivel Stud Straight Adapters, Elastomeric Sealing (E), Metric Thread (M) [ISO]
ISO 8434-1 (SWODS-E-M) - 2018
Swivel Stud Straight Adapters, Elastomeric Sealing (E), Metric Thread (M)
28 Bulkhead Straight Connectors [ISO]
ISO 8434-1 (BHS) - 2018
Bulkhead Straight Connectors
29 Stud Connectors with Stud end (O-ring Sealing), S Series or L Series [ISO]
ISO 8434-1 (SDS-F) - 2018
Stud Connectors with Stud end (O-ring Sealing), S Series or L Series
30 Malleable Cast Iron Pipe Fittings - Type Size - U Elbows (Return Bends) [GB]
GB 3289.9 - 1982
Malleable Cast Iron Pipe Fittings - Type Size - U Elbows (Return Bends)
31 Bulkhead Bolt and Locknuts [JIS]
JIS B 2351-1 (BH / LN) - 2000
Bulkhead Bolt and Locknuts
32 24° Cone Connectors - Straight Thread, Type A [GB]
GB /T 3733 (A) - 2008
24° Cone Connectors - Straight Thread, Type A
33 Tee Union Connectors [JIS]
JIS B 2351-1 (T) - 2000
Tee Union Connectors
34 Malleable Cast Iron Pipe Fittings - Type Size - No - Square Inner Joint (Nipples) [GB]
GB 3289.23 - 1982
Malleable Cast Iron Pipe Fittings - Type Size - No - Square Inner Joint (Nipples)
35 Swivel Adaptors (SW ) for Ports in Accordance with ISO 6149-1 [JIS]
JIS B 2351-1 (SW) - 2000
Swivel Adaptors (SW ) for Ports in Accordance with ISO 6149-1
36 24° Cone Connectors - Weld-in Bulkhead Straight Connector [GB]
GB /T 3757 - 2008
24° Cone Connectors - Weld-in Bulkhead Straight Connector
37 Malleable Cast Iron Pipe Fittings - Type Size - Elbows 45°, Male and Female Elbows 45° [GB]
GB 3289.3 - 1982
Malleable Cast Iron Pipe Fittings - Type Size - Elbows 45°, Male and Female Elbows 45°
38 Malleable Cast Iron Pipe Fittings - Type Size - Crosses [GB]
GB 3289.20 - 1982
Malleable Cast Iron Pipe Fittings - Type Size - Crosses
39 Unlon tee-Assembly [GB]
GB 3745.1 - 1983
Unlon tee-Assembly
40 24° Cone Connectors - Bulkhead Union [GB]
GB /T 3748 - 2008
24° Cone Connectors - Bulkhead Union
41 Stud Fittings for Ports in Accordance with ISO 6149-1 [JIS]
JIS B 2351-1 (SDS) - 2000
Stud Fittings for Ports in Accordance with ISO 6149-1
42 24° Cone Connectors - Straight Thread, Type B [GB]
GB /T 3733 (B) - 2008
24° Cone Connectors - Straight Thread, Type B
43 Swivel Adaptors (SW ) for Ports with Elastic Sealing [JIS]
JIS B 2351-1 (SW) - 2000
Swivel Adaptors (SW ) for Ports with Elastic Sealing
44 24° Cone Connectors - Union [GB]
GB /T 3737 - 2008
24° Cone Connectors - Union
45 Weld-in Bulkhead Fittings [JIS]
JIS B 2351-1 (WDBH) - 2000
Weld-in Bulkhead Fittings
46 Swivel Elbows (SWE) [JIS]
JIS B 2351-1 (SWE) - 2000
Swivel Elbows (SWE)
47 Male Connector - Body [GB]
GB 3734.2 - 1983
Male Connector - Body
48 Stud Fittings for Ports with Parallel Thread and Elastomeric Sealing (E) [JIS]
JIS B 2351-1 (SDS-E) - 2000
Stud Fittings for Ports with Parallel Thread and Elastomeric Sealing (E)
49 Stud Fittings for Ports with Parallel Threads and Metal-to-metal Sealing [JIS]
JIS B 2351-1 (SDS-B) - 2000
Stud Fittings for Ports with Parallel Threads and Metal-to-metal Sealing
50 Swivel Adaptors (SW) for Ports with Metal-to-metal Sealing [JIS]
JIS B 2351-1 (SW) - 2000
Swivel Adaptors (SW) for Ports with Metal-to-metal Sealing
51 24° Cone Connectors - Straight Thread, Type E [GB]
GB /T 3733 (E) - 2008
24° Cone Connectors - Straight Thread, Type E
52 Run Tees (SWRT) [JIS]
JIS B 2351-1 (SWRT) - 2000
Run Tees (SWRT)
53 24° Cone Connectors - Swivel Elbow with O-ring [GB]
GB /T 3754 - 2008
24° Cone Connectors - Swivel Elbow with O-ring
54 Malleable Cast Iron Pipe Fittings - Type Size - Male Joints (Sockets), Male and Female Joints (Sockets) [GB]
GB 3289.22 - 1982
Malleable Cast Iron Pipe Fittings - Type Size - Male Joints (Sockets), Male and Female Joints (Sockets)
55 24° Cone Connectors - Union Cross [GB]
GB /T 3746 - 2008
24° Cone Connectors - Union Cross
56 Elbow Union Connectors [JIS]
JIS B 2351-1 (E) - 2000
Elbow Union Connectors
57 24° Cone Connectors - Ferrule [GB]
GB /T 3764 - 2008
24° Cone Connectors - Ferrule
58 24° Cone Connectors - Weld-on Nipple [GB]
GB /T 3758 - 2008
24° Cone Connectors - Weld-on Nipple
59 24° Cone Connectors - Plug with O-ring [GB]
GB /T 3760 - 2008
24° Cone Connectors - Plug with O-ring
60 24° Cone Connectors - Weld Male [GB]
GB /T 3747 - 2008
24° Cone Connectors - Weld Male
61 Connector for Pressure Gauge - Body [GB]
GB 3751.2 - 1983
Connector for Pressure Gauge - Body
62 Bulkhead Elbow Fittings [JIS]
JIS B 2351-1 (BHE) - 2000
Bulkhead Elbow Fittings
63 Cross Union Connectors [JIS]
JIS B 2351-1 (K) - 2000
Cross Union Connectors
64 Straight Thread Connector - Assembly [GB]
GB /T 3733.1 - 1983
Straight Thread Connector - Assembly
65 24° Cone Connectors - Union Elbow [GB]
GB /T 3740 - 2008
24° Cone Connectors - Union Elbow
66 24° Cone Connectors - Swivel Stud Straight Adapter with O-ring with Shud End [GB]
GB /T 3756 - 2008
24° Cone Connectors - Swivel Stud Straight Adapter with O-ring with Shud End
67 Malleable Cast Iron Pipe Fittings - Type Size - Tees, Male and Female Tees [GB]
GB 3289.10 - 1982
Malleable Cast Iron Pipe Fittings - Type Size - Tees, Male and Female Tees
68 24° Cone Connectors - Straight Thread, Type F [GB]
GB /T 3733 (F) - 2008
24° Cone Connectors - Straight Thread, Type F
69 Branch Tees (SWBT) [JIS]
JIS B 2351-1 (SWBT) - 2000
Branch Tees (SWBT)
70 Compression End and Ring [JIS]
JIS B 2351-1 - 2000
Compression End and Ring
71 Malleable Cast Iron Pipe Fittings - Type Size - Elbows Male and Female Elbows [GB]
GB 3289.2 - 1982
Malleable Cast Iron Pipe Fittings - Type Size - Elbows Male and Female Elbows
72 Connector for Pressure Gauge - Assembly [GB]
GB 3751.1 - 1983
Connector for Pressure Gauge - Assembly
73 Straight Union Fittings [JIS]
JIS B 2351-1 (S) - 2000
Straight Union Fittings
74 VCR Metal Gasket Face Seal Fittings - Male NPT Bulkhead Connector [YJT]
YJT 14004 (VCR)
VCR Metal Gasket Face Seal Fittings - Male NPT Bulkhead Connector
75 VCR Metal Gasket Face Seal Fittings - Reducing Bushing [YJT]
YJT 14013 (VCR)
VCR Metal Gasket Face Seal Fittings - Reducing Bushing
76 VCR Metal Gasket Face Seal Fittings - Reducing Adapter [YJT]
YJT 14012 (VCR)
VCR Metal Gasket Face Seal Fittings - Reducing Adapter
77 VCR Metal Gasket Face Seal Fittings - Female Reducing Union [YJT]
YJT 14011 (VCR)
VCR Metal Gasket Face Seal Fittings - Female Reducing Union
78 VCR Metal Gasket Face Seal Fittings - Coupling [YJT]
YJT 14010 (VCR)
VCR Metal Gasket Face Seal Fittings - Coupling
79 VCR Metal Gasket Face Seal Fittings - Tube Butt Weld Bulkhead Connector [YJT]
YJT 14009 (VCR)
VCR Metal Gasket Face Seal Fittings - Tube Butt Weld Bulkhead Connector
80 VCR Metal Gasket Face Seal Fittings - Male Reducing Union [YJT]
YJT 14008 (VCR)
VCR Metal Gasket Face Seal Fittings - Male Reducing Union
81 VCR Metal Gasket Face Seal Fittings - Male Union [YJT]
YJT 14007 (VCR)
VCR Metal Gasket Face Seal Fittings - Male Union
82 VCR Metal Gasket Face Seal Fittings - Female NPT Connector [YJT]
YJT 14006 (VCR)
VCR Metal Gasket Face Seal Fittings - Female NPT Connector
83 VCR Metal Gasket Face Seal Fittings - Straight Thread O-Ring Seal Male Connector [YJT]
YJT 14005 (VCR)
VCR Metal Gasket Face Seal Fittings - Straight Thread O-Ring Seal Male Connector
84 VCR Metal Gasket Face Seal Fittings - Male NPT Connector [YJT]
YJT 14003 (VCR)
VCR Metal Gasket Face Seal Fittings - Male NPT Connector
85 DIN Straight Fittings 1C1D [YJT]
YJT 14001
DIN Straight Fittings 1C1D
86 Refrigeration Tube Fittings - Two-Way Tee [SAE]
SAE J 513 (010425) - 2019
Refrigeration Tube Fittings - Two-Way Tee