Language
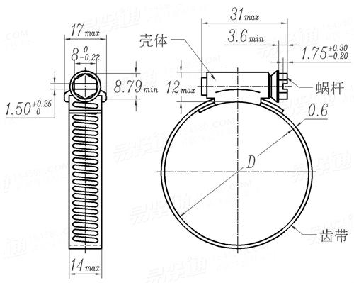
14~27
17~32
19~38
21~45
27~50
33~57
39~64
45~70
52~76
58~83
65~89
71~95
78~102
84~108
90~114
103~127
117~140
130~152
141~165
157~178
Q 676
Display drawing: