| 简体 | 繁體 |

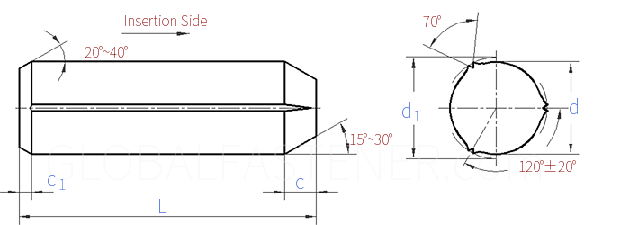
Pin with Both Chamfered Points (CH)

ISO 8740 (CH) - 2025

Display drawing:

国际ISO 8740 (CH) - 2025 ISO8740 8740ISO Pin with Both Chamfered Points (CH)
Nominal Diameter
d
(Φ1) Φ1.5 Φ2 Φ2.5 Φ3 (Φ3.5) Φ4 Φ5 Φ6 (Φ7)
d max
min
c
d1 steel pin Nominal Size
max
min
Stainless steel pin Nominal Size
max
min
1 1.5 2 2.5 3 3.5 4 5 6 7
0.975 1.475 1.975 2.475 2.975 3.425 3.925 4.925 5.925 6.91
0.4 0.6 0.8 1 1.2 1.3 1.4 1.7 2.1 2.4
1.1 1.63 2.15 2.7 3.2 3.7 4.25 5.25 6.25 7.3
1.15 1.68 2.2 2.75 3.25 3.75 4.3 5.3 6.3 7.35
1.1 1.63 2.15 2.65 3.15 3.65 4.2 5.2 6.2 7.25
1.075 1.6 2.1 2.65 3.15 3.675 4.2 5.2 6.175 7.225
1.125 1.65 2.15 2.7 3.2 3.725 4.25 5.25 6.225 7.275
1.075 1.6 2.1 2.6 3.1 3.625 4.15 5.15 6.125 7.175
Nominal Diameter
d
Φ8 (Φ9) Φ10 Φ12 (Φ14) Φ16 (Φ18) Φ20 Φ25
d max
min
c
d1 steel pin Nominal Size
max
min
Stainless steel pin Nominal Size
max
min
8 9 10 12 14 16 18 20 25
7.91 8.91 9.91 11.89 13.89 15.89 17.89 19.87 24.87
2.6 2.8 3 3.8 4.2 4.6 5.3 6 7.5
8.3 9.3 10.3 12.35 14.35 16.4 18.4 20.5 25.5
8.35 9.35 10.35 12.45 14.45 16.5 18.5 20.6 25.6
8.25 9.25 10.25 12.25 14.25 16.3 18.3 20.4 25.4
8.225 9.225 10.225 12.275 14.275 16.3 18.3 20.375 25.375
8.275 9.275 10.275 12.375 14.375 16.4 18.4 20.475 25.475
8.175 9.175 10.175 12.175 14.175 16.2 18.2 20.275 25.275
①,The groove angle of 70° is a reference dimension, see ISO 13669.
②,Unless otherwise agreed at the time of the order, the pins are manufactured with rounded ends.

Similar Standards

1 Grooved Pins - Type E [ASME]
ASME B 18.8.2 - 2020
Grooved Pins - Type E
2  Pin with chamfered point and rounded ends (RN) [ISO]
ISO 8740 (RN) - 2025
 Pin with chamfered point and rounded ends (RN)
3 Grooved Pins. Full-Length Parallel Grooved, with Chamfer [DIN EN ISO]
DIN EN ISO 8740 - 1998
Grooved Pins. Full-Length Parallel Grooved, with Chamfer
4 Grooved Pins-One-Third-Length Centre Grooved [ISO]
ISO 8742 - 1997
Grooved Pins-One-Third-Length Centre Grooved
5 Metric, Grooved Pins with Half-length Groove, TYPE 43-1 / TYPE 43-2 [TABLE 5] [ASME/ANSI]
ASME/ANSI B 18.8.100M (B18.8.9M T5) - 2000 (R2005)
Metric, Grooved Pins with Half-length Groove, TYPE 43-1 / TYPE 43-2 [TABLE 5]
6 Grooved Pins-Full-Length Parallel Grooved, with Pilot [ISO]
ISO 8739 - 1997
Grooved Pins-Full-Length Parallel Grooved, with Pilot
7 Grooved Pins - Half-Length Centre Grooved [DIN EN ISO]
DIN EN ISO 8743 - 1998
Grooved Pins - Half-Length Centre Grooved
8 Pin Pilot Point and with Chamfered Ends [ISO]
ISO 8739 (CH) - 2025
Pin Pilot Point and with Chamfered Ends
9 Parallel Grooved Pins - Half-length Diamond Grooves - Chamfered Ends [ISO]
ISO 13672 (CH) - 2025
Parallel Grooved Pins - Half-length Diamond Grooves - Chamfered Ends
10 Grooved Pins - Type G [ASME]
ASME B 18.8.2 - 2020
Grooved Pins - Type G
11 Grooved Pins-Half-Length Centre Grooved [ISO]
ISO 8743 - 1997
Grooved Pins-Half-Length Centre Grooved
12 Metric Grooved Pins, Half-length Centre Grooved, TYPE 43 [TABLE 4] [ASME/ANSI]
ASME/ANSI B 18.8.100M (B18.8.9M T4) - 2000 (R2005)
Metric Grooved Pins, Half-length Centre Grooved, TYPE 43 [TABLE 4]
13 Parallel Grooved Pins - Half-length Diamond Grooves - Rounded Ends [ISO]
ISO 13672 (RN) - 2025
Parallel Grooved Pins - Half-length Diamond Grooves - Rounded Ends
14 Grooved Pins-Full-Length Parallel Grooved, with Chamfer [ISO]
ISO 8740 - 1997
Grooved Pins-Full-Length Parallel Grooved, with Chamfer
15 Metric, Grooved Pins with One Third Length Groove in the Middle, TYPE 42 [TABLE 4] [ASME/ANSI]
ASME/ANSI B 18.8.100M (B18.8.9M T4) - 2000 (R2005)
Metric, Grooved Pins with One Third Length Groove in the Middle, TYPE 42 [TABLE 4]
16 Grooved Pins - Type F [ASME]
ASME B 18.8.2 - 2020
Grooved Pins - Type F
17 Grooved Pins, Half Length Grooved with Gorge [DIN]
DIN 1469 - 2011
Grooved Pins, Half Length Grooved with Gorge
18 Grooved Pins - Type F [ASME]
ASME B 18.8.2 - 2000 (R2010)
Grooved Pins - Type F
19 Grooved Pins - Type H [ASME]
ASME B 18.8.2 - 2000 (R2010)
Grooved Pins - Type H
20 Grooved Pins, Half Length Grooved with Gorge [DIN]
DIN 1469 - 1978
Grooved Pins, Half Length Grooved with Gorge
21 Grooved Pins - Type H [ASME]
ASME B 18.8.2 - 2020
Grooved Pins - Type H
22 Grooved pin, full length parallel grooved with pilot [DIN]
DIN 1470 - 1978
Grooved pin, full length parallel grooved with pilot
23 Pin with Pilotpoint and Rounded Ends [ISO]
ISO 8739 (RN) - 2025
Pin with Pilotpoint and Rounded Ends
24 Grooved Pins - Type G [ASME]
ASME B 18.8.2 - 2000 (R2010)
Grooved Pins - Type G
25 Grooved Pins - Half-Length Centre Grooved [EN]
EN 28743 - 1992
Grooved Pins - Half-Length Centre Grooved
26 Grooved Pins - 1/3 Length Centre Grooved [DIN]
DIN 1475 - 1978
Grooved Pins - 1/3 Length Centre Grooved
27 Grooved Pins - 1/3 Length Centre Grooved [DIN EN ISO]
DIN EN ISO 8742 - 1998
Grooved Pins - 1/3 Length Centre Grooved
28 Full-Length Parallel Grooved, with Chamfer [EN]
EN 28740 - 1992
Full-Length Parallel Grooved, with Chamfer
29 Grooved Pins, Half Length Grooved with Gorge [DIN]
DIN 1469 - 2012
Grooved Pins, Half Length Grooved with Gorge
30 Grooved Pins, Full Length Parallel Grooved with Chamfer [DIN]
DIN 1473 - 1978
Grooved Pins, Full Length Parallel Grooved with Chamfer
31 Grooved Pins - Type E [ASME]
ASME B 18.8.2 - 2000 (R2010)
Grooved Pins - Type E
32 Grooved Pins, Full-length Parallel Grooved - Metric Series, TYPE 39 / TYPE 40 [Table 3] [ASME/ANSI]
ASME/ANSI B 18.8.100M (B18.8.9M T3) - 2000 (R2005)
Grooved Pins, Full-length Parallel Grooved - Metric Series, TYPE 39 / TYPE 40 [Table 3]
33 Grooved Pin, Full Length Parallel Grooved with Pilot [DIN EN ISO]
DIN EN ISO 8739 - 1998
Grooved Pin, Full Length Parallel Grooved with Pilot
34 Grooved Pins - Half-Length Centre Grooved [EN ISO]
EN ISO 8743 - 1997
Grooved Pins - Half-Length Centre Grooved
35 Grooved Pins. Full Length Paralled Grooved, with Chamfer [NF]
NF E 25-772 - 1997 (R2002)
Grooved Pins. Full Length Paralled Grooved, with Chamfer
36 Grooved Pins-full-length Parallel Grooved, with Chamferw [GB]
GB /T 13829.1 (B) - 1992
Grooved Pins-full-length Parallel Grooved, with Chamferw
37 Grooved Pins-one-third-length Centre Grooved [GB]
GB /T 13829.1 (C) - 1992
Grooved Pins-one-third-length Centre Grooved
38 Grooved Pins-One-Third-Length Centre Grooved [GB]
GB /T 13829.3 - 2004
Grooved Pins-One-Third-Length Centre Grooved
39 Grooved Pins - Half-length Centre Grooved [GB]
GB /T 13829.1 (D) - 1992
Grooved Pins - Half-length Centre Grooved
40 Grooved Pin, Full Length Parallel Grooved with Pilot [GB]
GB /T 13829.1 - 2004
Grooved Pin, Full Length Parallel Grooved with Pilot
41 Grooved Pin, Full Length Parallel Grooved with Pilot [GB]
GB /T 13829.1 (A) - 1992
Grooved Pin, Full Length Parallel Grooved with Pilot
42 Grooved Pin, Full Length Parallel Grooved with Chamfer [GB]
GB /T 13829.2 - 2004
Grooved Pin, Full Length Parallel Grooved with Chamfer
43 Grooved Pins. One-Third-Length Centre Grooved [NF]
NF E 25-763 - 1997 (R2002)
Grooved Pins. One-Third-Length Centre Grooved
44 Grooved Pins - Half-Length Centre Grooved [GB]
GB /T 13829.4 - 2004
Grooved Pins - Half-Length Centre Grooved
45 Grooved Pins - Full-length Parallel Grooved, With Pilot [NF]
NF E 25-761 - 1997
Grooved Pins - Full-length Parallel Grooved, With Pilot
46 Grooved Pins. Half Length Centre Grooved [NF]
NF E 25-750 - 1997
Grooved Pins. Half Length Centre Grooved
47 Grooved Straight Pins - Type C [SAE]
SAE J 494 (C) - 2004
Grooved Straight Pins - Type C
48 Grooved Straight Pins - Type E [SAE]
SAE J 494 (E) - 2004
Grooved Straight Pins - Type E
49 Grooved Straight Pins - Type F [SAE]
SAE J 494 (F) - 2004
Grooved Straight Pins - Type F