| 简体 | 繁體 |

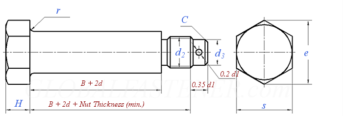
Bolt-Type Pin with Hexagon Head - For Circular Shackle

GB 559 (O3) - 1987

Display drawing:

国标GB 559 (O3) - 1987 GB559 559GB Bolt-Type Pin with Hexagon Head - For Circular Shackle
Calculate weight and price. Weight 1000 pcs : kg x $ per kg = $ 1000 pcs
Default density g/cm3
Serial Number
1 2 3 4 5 6 7 8 9 10 11 12
Applicable Shackle Models
Allowable load,KN(tf)
d1
d2
d3
s
H
e
r
C
B min=nominal size
max
d
per unit≈kg
O3 O3 O3 O3 O3 O3 O3 O3 O3 O3 O3 O3
3.92(0.40) 4.90(0.50) 6.27(0.64) 7.84(0.80) 9.80(1.00) 12.25(1.25) 15.68(1.60) 19.60(2.00) 24.50(2.50) 31.36(3.20) 39.20(4.00) 49.00(5.00)
10 11 12 14 16 18 20 22 25 28 31 35
M8 M10 M10 M12 M12 M14 M16 M16 M20 M24 M24 M30
6.2 7.8 7.8 9.4 9.4 11 13 13 16.4 19.6 19.6 25
14 15 17 19 22 24 27 30 34 38 42 47
6 7 7 8 9 10 11 12 14 16 17 19
16.2 17.9 19.6 21.9 25.4 27.7 31.2 34.6 39 43.7 48.4 54.6
1 1 1 1 1 1 1.5 1.5 1.5 1.5 2 2
0.6 0.6 0.6 0.6 0.6 1 1 1 1 1.5 1.5 1.5
13 14 16 18 20 22 25 28 31 35 40 44
13.6 14.7 16.8 18.9 21 23.1 26.2 29.4 32.5 36.8 42 46.2
9 10 11 13 14 16 18 20 23 25 28 32
0.029 0.037 0.051 0.083 0.124 0.168 0.227 0.332 0.443 0.631 0.869 1.28
Serial Number
13 14 15 16 17 18 19 20 21 22 23 24
Applicable Shackle Models
Allowable load,KN(tf)
d1
d2
d3
s
H
e
r
C
B min=nominal size
max
d
per unit≈kg
O3 O3 O3 O3 O3 O3 O3 O3 O3 O3 O3 O3
61.74(6.30) 78.40(8.0) 98.00(10.00) 122.50(12.50) 156.80(16.00) 196.00(20.00) 245.00(25.00) 313.60(32.00) 392.00(40.00) 490.00(50.00) 617.40(63.00) 784.00(80.00)
39 44 49 55 62 69 77 87 98 109 123 138
M33 M36 M39 M45 M52 M60 M68 M76 M85 M100 M110 M125
28 30.3 33.3 38.6 45 52.3 59.7 67.7 76.7 91.7 101.7 116.7
53 59 66 74 84 93 104 117 132 147 166 186
22 24 27 31 34 38 43 48 54 60 68 77
60.8 68.6 76.4 85.8 96.7 107.6 120 135.7 152.9 170 191.9 215.3
2 2 2 2.5 2.5 2.5 2.5 3 3 3 4 4
1.5 2 2 2 2 2.5 2.5 2.5 2.5 3 3 3
50 56 63 70 79 89 99 112 125 140 157 177
52.5 58.8 66.2 73.5 83 93.5 104 117.6 131 147 165 186
36 40 45 50 56 63 70 80 89 99 112 126
1.86 2.78 3.81 5.17 6.89 9.22 13.02 17.84 25.51 33.29 37.28 65.28

Similar Standards

1 Tested, Non-calibrated, Long-link Round Steel Chains [DIN]
DIN 763 - 1990
Tested, Non-calibrated, Long-link Round Steel Chains
2 Overhead Lines Curved Insulator Supports - Standard Design - SBD [DIN]
DIN 48051-1 - 1959
Overhead Lines Curved Insulator Supports - Standard Design - SBD
3 Wire Rope Clamps for Cable End Connections [DIN]
DIN 741 - 1972
Wire Rope Clamps for Cable End Connections
4 Turnbuckles - Form E [DIN]
DIN 82004 - 1972
Turnbuckles - Form E
5 Components for Liftig, Towing, lashing—Shackle, Bow-Stainless Steels [DIN]
DIN 82103 - 1987
Components for Liftig, Towing, lashing—Shackle, Bow-Stainless Steels
6 Clamp Nut [DIN]
DIN 82004 - 1972
Clamp Nut
7 Forged Steel Shackles for General Lifting Purposes -  Bow Shackles [EN]
EN 13889 (Bow) - 2008
Forged Steel Shackles for General Lifting Purposes - Bow Shackles
8 Turnbuckles [DIN]
DIN 1480 - 1975
Turnbuckles
9 Snap Hook Round Wire and Forged - Form C [DIN]
DIN 5299 (C) - 1980
Snap Hook Round Wire and Forged - Form C
10 U-Bolt Wire Rope Grips [EN]
EN 13411-5 (A1) - 2003
U-Bolt Wire Rope Grips
11 Turnbuckles - Form C [DIN]
DIN 82004 - 1972
Turnbuckles - Form C
12 Components for Liftig, Towing, Lashing - Shackle, Bow-stainless Steels [DIN]
DIN 82103 - 2005
Components for Liftig, Towing, Lashing - Shackle, Bow-stainless Steels
13 Turnbuckles - Form B [DIN]
DIN 82004 - 1972
Turnbuckles - Form B
14 U-bolt Wire Rope Grips - Collar Nut [EN]
EN 13411-5 (A4) - 2003
U-bolt Wire Rope Grips - Collar Nut
15 Steel Thimbles for Fibre Ropes [DIN]
DIN 6899 - 1988
Steel Thimbles for Fibre Ropes
16 Snap Hook Round Wire and Forged - Form B [DIN]
DIN 5299 (B) - 1980
Snap Hook Round Wire and Forged - Form B
17 Turnbuckles - Form D [DIN]
DIN 82004 - 1972
Turnbuckles - Form D
18 Wire Rope Grips for Rope Terminations; To Meet Safety Requirements [DIN]
DIN 1142 - 1982
Wire Rope Grips for Rope Terminations; To Meet Safety Requirements
19 Turnbuckles Made from Steel Tube or Round Steel Bar [DIN]
DIN 1478 - 1975
Turnbuckles Made from Steel Tube or Round Steel Bar
20 Forged Steel Shackles for General Lifting Purposes - Dee Shackles [EN]
EN 13889 (Dee) - 2008
Forged Steel Shackles for General Lifting Purposes - Dee Shackles
21 U-bolt Wire Rope Grips - Bridge [EN]
EN 13411-5 (A2) - 2003
U-bolt Wire Rope Grips - Bridge
22 Components for Liftig, Towing, Lashing—Shackle, Dee-Non-Alloy Quality Steels [DIN]
DIN 82101 - 2005
Components for Liftig, Towing, Lashing—Shackle, Dee-Non-Alloy Quality Steels
23 Snap Hook Half-round Wire - Form A [DIN]
DIN 5299 (A) - 1980
Snap Hook Half-round Wire - Form A
24 Components for Slings - Safety - Part 2: Forged Steel Lifting Hooks with Latch, Grade 8 [EN]
EN 1677-2 - 2000 (+A1:2008)
Components for Slings - Safety - Part 2: Forged Steel Lifting Hooks with Latch, Grade 8
25 Forged Shackles for General Lifting Purposes - Bow Shackle [ISO]
ISO 2415 (Bow) - 2022
Forged Shackles for General Lifting Purposes - Bow Shackle
26 Turnbuckles Made from Steel Tubes or Round Steel Bars [DIN]
DIN 1478 - 2005
Turnbuckles Made from Steel Tubes or Round Steel Bars
27 Forged Steel Self-locking Hooks - Grade 8 [EN]
EN 1677-3 - 2001 (+A1:2008)
Forged Steel Self-locking Hooks - Grade 8
28 Overhead Lines Curved Insulator Supports - Standard Design - SBM [DIN]
DIN 48051-1 (SBM) - 1959
Overhead Lines Curved Insulator Supports - Standard Design - SBM
29 Snap Hook Round Wire and Forged - Form D [DIN]
DIN 5299 (D) - 1980
Snap Hook Round Wire and Forged - Form D
30 Forged Steel Lifting Hooks with Latch, Grade 4 [EN]
EN 1677-5 - 2001 (+A1:2008)
Forged Steel Lifting Hooks with Latch, Grade 4
31 Forged Steel Lifting Hooks with Latch, Grade 8 [ISO]
ISO 7597 - 2013
Forged Steel Lifting Hooks with Latch, Grade 8
32 Components for Liftig, Towing, Lashing - Shackle, Dee-non-alloy Quality Steels [DIN]
DIN 82101 - 1976
Components for Liftig, Towing, Lashing - Shackle, Dee-non-alloy Quality Steels
33 Snap Hook Round Wire and Forged - Form E [DIN]
DIN 5299 (E) - 1980
Snap Hook Round Wire and Forged - Form E
34 Turnbuckles - Form A [DIN]
DIN 82004 - 1972
Turnbuckles - Form A
35 Forged Turnbuckles, (Open Type) [DIN]
DIN 1480 - 2005
Forged Turnbuckles, (Open Type)
36 Forged Shackles for General Lifting Purposes - Dee Shackles [ISO]
ISO 2415 (Dee) - 2022
Forged Shackles for General Lifting Purposes - Dee Shackles
37 U Shape Bolts (Type FR) [JIS]
JIS B 2809 (FR) - 1977
U Shape Bolts (Type FR)
38 Shackles for Ship - Circular [GB]
GB 559 (O1-O4) - 1987
Shackles for Ship - Circular
39 Hexagon Nuts [GB]
GB 559 (Nuts) - 1987
Hexagon Nuts
40 Forged Shackles for General Lifting Purposes - Dee Shackles [GB]
GB /T 10603 (Dee) - 1989
Forged Shackles for General Lifting Purposes - Dee Shackles
41 Screwed Pin with Eye and Collar - For Large-size Circular Shackle [GB]
GB 559 (OE1) - 1987
Screwed Pin with Eye and Collar - For Large-size Circular Shackle
42 General Purpose Thimbles for use with Steel Wire Ropes [GB]
GB /T 5974.1 - 2006
General Purpose Thimbles for use with Steel Wire Ropes
43 Steel Wire Ropes for iImportant Purposes [GB]
GB /T 8918 - 2006
Steel Wire Ropes for iImportant Purposes
44 Stainless Steel Thread Strap Bolt [JIS]
JIS A 5540 - 2008
Stainless Steel Thread Strap Bolt
45 Shackles for ship - Straight [GB]
GB 559 (D1-D4) - 1987
Shackles for ship - Straight
46 Shackle Body - Form SD [JIS]
JIS B 2801 - 1996
Shackle Body - Form SD
47 Shackle Body - Form BD [JIS]
JIS B 2801 - 1996
Shackle Body - Form BD
48 Forged Shackles for General Lifting Purposes - Dee Shackles [GB]
GB /T 25854 (Dee) - 2010
Forged Shackles for General Lifting Purposes - Dee Shackles
49 Bolts of Turnbuckle for Building - Stainless Steel Strap Bolt [JIS]
JIS A 5542 (4) - 2003
Bolts of Turnbuckle for Building - Stainless Steel Strap Bolt
50 Bolts of Turnbuckle for Building - Strap Bolt [Carbon Steel and Hot-dip Carbon Steel products] [JIS]
JIS A 5542 (1A) - 2003
Bolts of Turnbuckle for Building - Strap Bolt [Carbon Steel and Hot-dip Carbon Steel products]
51 U Shape Bolts (Type MS) [JIS]
JIS B 2809 (MS) - 2018
U Shape Bolts (Type MS)
52 Anchor Shackle [GB]
GB /T 547 (A) - 1994
Anchor Shackle
53 Lifting Hooks - Shank Hooks with Point - Type LMD and LYD [GB]
GB /T 10051.5 - 2010
Lifting Hooks - Shank Hooks with Point - Type LMD and LYD
54 Turnbuckle Building, Thread Strap Bolt, Carbon Steel and Hot-dip Zinc Coated Carbon Steel [JIS]
JIS A 5540 - 2008
Turnbuckle Building, Thread Strap Bolt, Carbon Steel and Hot-dip Zinc Coated Carbon Steel
55 U Shape Bolts (Type MR) [JIS]
JIS B 2809 (MR) - 1977
U Shape Bolts (Type MR)
56 Body of Turnbuckle for Building - Carbon Steel Products and Hot-dip Zinc Coated Carbon Steel Products [JIS]
JIS A 5541 - 2008
Body of Turnbuckle for Building - Carbon Steel Products and Hot-dip Zinc Coated Carbon Steel Products
57 U Shape Bolts (Type F) [JIS]
JIS B 2809 (F) - 2018
U Shape Bolts (Type F)
58 Bow Shackle Body - Form BA, BB and BC [JIS]
JIS B 2801 - 1996
Bow Shackle Body - Form BA, BB and BC
59 Anchor Shackle-U-shaped [GB]
GB /T 547 (B) - 1994
Anchor Shackle-U-shaped
60 Shackles for Ship - Circular - Large [GB]
GB 559 (OE1-OE4) - 1987
Shackles for Ship - Circular - Large
61 Lifting Hooks - Shank Hooks with Point - Type LMD and LYD [GB]
GB 10051.5 - 1988
Lifting Hooks - Shank Hooks with Point - Type LMD and LYD
62 Bolts of Turnbuckle for Building Made of Rolling Steel - Eyebolt [JIS]
JIS A 5542 (A2B) - 2003
Bolts of Turnbuckle for Building Made of Rolling Steel - Eyebolt
63 Parallel Pins - For Straight Shackle [GB]
GB 559 (D4) - 1987
Parallel Pins - For Straight Shackle
64 Parallel Pins - For Large-size Circular Shackle [GB]
GB 559 (OE4) - 1987
Parallel Pins - For Large-size Circular Shackle
65 Straight Shackle [GB]
GB 559 (D) - 1987
Straight Shackle
66 Bolt-Type Pin with Hexagon Head - For Large-size Circular Shackle [GB]
GB 559 (OE3) - 1987
Bolt-Type Pin with Hexagon Head - For Large-size Circular Shackle
67 Screwed Pin with Eye and Collar - For Circular Shackle [GB]
GB 559 (O1) - 1987
Screwed Pin with Eye and Collar - For Circular Shackle
68 Screwed Pin with Eye and Collar - For Straight Shackle [GB]
GB 559 (D1) - 1987
Screwed Pin with Eye and Collar - For Straight Shackle
69 Bolt-Type Pin with Hexagon Head - For Straight Shackle [GB]
GB 559 (D3) - 1987
Bolt-Type Pin with Hexagon Head - For Straight Shackle
70 Straight Shackle Body - Form SA, SB and SC [JIS]
JIS B 2801 - 1996
Straight Shackle Body - Form SA, SB and SC
71 Slotted Countersunk Head Pins - For Large-size Circular Shackle [GB]
GB 559 (OE2) - 1987
Slotted Countersunk Head Pins - For Large-size Circular Shackle
72 Lifting Hooks - Shank Hooks with Point - Type LM and LY [GB]
GB /T 10051.5 - 2010
Lifting Hooks - Shank Hooks with Point - Type LM and LY
73 Bolts of Turnbuckle for Building - Strap Bolt [Carbon Steel and Hot-dip Carbon Steel products] [JIS]
JIS A 5542 (1B) - 2003
Bolts of Turnbuckle for Building - Strap Bolt [Carbon Steel and Hot-dip Carbon Steel products]
74 Short Link Chain for Lifting Purposes - Grade 4, Non-calibrated, for Chain Slings Etc. [GB]
GB 24814 - 2009
Short Link Chain for Lifting Purposes - Grade 4, Non-calibrated, for Chain Slings Etc.
75 Circular Shackle [GB]
GB 559 (O) - 1987
Circular Shackle
76 Bolts of Turnbuckle for Building Made of Rolling Steel - Strap Bolt [JIS]
JIS A 5542 (A1B) - 2003
Bolts of Turnbuckle for Building Made of Rolling Steel - Strap Bolt
77 Longer Thread Strap Bolt, Carbon Steel and Hot-clip Zinc Coated Carbon Steel [JIS]
JIS A 5540 - 2008
Longer Thread Strap Bolt, Carbon Steel and Hot-clip Zinc Coated Carbon Steel
78 Longer Thread Strap Bolt, Carbon Steel and Hot-clip Zinc Coated Carbon Steel [JIS]
JIS A 5540 - 2008
Longer Thread Strap Bolt, Carbon Steel and Hot-clip Zinc Coated Carbon Steel
79 U Shape Bolts (Type MR) [JIS]
JIS B 2809 (MR) - 2018
U Shape Bolts (Type MR)
80 Bolts of Turnbuckle for Building - Double Ended Stud  [Carbon Steel products] [JIS]
JIS A 5542 (3) - 2003
Bolts of Turnbuckle for Building - Double Ended Stud [Carbon Steel products]
81 Circular Shackle - Large [GB]
GB 559 (OE) - 1987
Circular Shackle - Large
82 Body of Turnbuckle for Building - Stainless Steel Products [JIS]
JIS A 5541 - 2008
Body of Turnbuckle for Building - Stainless Steel Products
83 Wire Rope Grips [GB]
GB /T 5976 - 2006
Wire Rope Grips
84 Thread Strap Bolt, Carbon Steel and Hot-clip Zinc Coated Carbon Steel [JIS]
JIS A 5540 - 2008
Thread Strap Bolt, Carbon Steel and Hot-clip Zinc Coated Carbon Steel
85 Bolts of Turnbuckle for Building - Eyebolt [Carbon Steel products] [JIS]
JIS A 5542 (2A) - 2003
Bolts of Turnbuckle for Building - Eyebolt [Carbon Steel products]
86 Parallel Pins - For Circular Shackle [GB]
GB 559 (O4) - 1987
Parallel Pins - For Circular Shackle
87 Bolts of Turnbuckle for Building - Eyebolt  [Carbon Steel products] [JIS]
JIS A 5542 (2B) - 2003
Bolts of Turnbuckle for Building - Eyebolt [Carbon Steel products]
88 Wire Clip for Wire Strand, Type FS [JIS]
JIS B 2809 (FS) - 1977
Wire Clip for Wire Strand, Type FS
89 Slotted Countersunk Head Pins - For Circular Shackle [GB]
GB 559 (O2) - 1987
Slotted Countersunk Head Pins - For Circular Shackle
90 Slotted Countersunk Head Pins - For Straight Shackle [GB]
GB 559 (D2) - 1987
Slotted Countersunk Head Pins - For Straight Shackle
91 Longer Stainless Steel Thread Strap Bolt [JIS]
JIS A 5540 - 2008
Longer Stainless Steel Thread Strap Bolt
92 Forged Shackles for General Lifting Purposes - Bow Shackle [GB]
GB /T 10603 (Bow) - 1989
Forged Shackles for General Lifting Purposes - Bow Shackle
93 Bolts of Turnbuckle for Building Made of Rolling Steel - Strap Bolt [JIS]
JIS A 5542 (A1A) - 2003
Bolts of Turnbuckle for Building Made of Rolling Steel - Strap Bolt
94 Bolts of Turnbuckle for Building Made of Rolling Steel - Eyebolt [JIS]
JIS A 5542 (A2A) - 2003
Bolts of Turnbuckle for Building Made of Rolling Steel - Eyebolt
95 Forged Steel Lifting Hooks with Latch, Grade 8 [GB]
GB 24813 - 2018
Forged Steel Lifting Hooks with Latch, Grade 8
96 Forged Shackles for General Lifting Purposes - Bow Shackle [GB]
GB /T 25854 (Bow) - 2010
Forged Shackles for General Lifting Purposes - Bow Shackle
97 Lifting Hooks - Shank Hooks with Point - Type LM and LY [GB]
GB 10051.5 - 1988
Lifting Hooks - Shank Hooks with Point - Type LM and LY
98 U Shape Bolts (Type MS) [JIS]
JIS B 2809 (MS) - 1977
U Shape Bolts (Type MS)
99 Shackle [YJT]
YJT 17002
Shackle
100 National Standard B Wire Rope Clips [YJT]
YJT 17018
National Standard B Wire Rope Clips